ステッピングモータ P-PMS-ENCシリーズ
P-PMSA-B56D5E-NL-PL■■■■
・エンコーダ分解能を2 - 4,096pprの範囲で指定可能
・磁気式で耐環境(ホコリ・塵・油)に強い
・豊富なモータバリエーションをご用意しました。
仕様
モータ仕様
- 品名
- P-PMSA-B56D5E-NL-PL■■■■
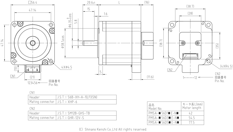
- □サイズ
- 56.4
- 巻線タイプ
- バイポーラ
- 軸仕様
- 片軸
- ステップ角[°]
- 1.8
- 定格電圧[V]
- 3.5
- 定格電流[A]
- 2.8
- 巻線抵抗[Ω/相]
- 1.25
- インダクタンス[mH/相]
- 4.9
- 最大静止トルク[N・m]
- 2.424
- ロータイナーシャ
[x10^-7kg・m^2]
- 470
- モータ長[mm]
- 77.5
- モータ重量[kg]
- 1.13
- 使用周囲温度
- -10~+50℃ 凍結なきこと
- 使用湿度
- 85%以下 結露なきこと
- 保存周囲温度
- -20~+70℃ 凍結なきこと
- 保存湿度
- 85%以下 結露なきこと
- 雰囲気
- 腐食性ガス・粉塵の無いこと水・油などが直接掛からないこと
エンコーダ仕様
- 品名
- E-NL
- 出力形式
- インクリメンタル
- 分解能[ppr]
- 2 - 4096ppr
※品番末尾にて表示しています。ご購入の際にご指定が必要です。
- 出力信号
- A相、B相、Z相
- 出力回路
- ラインドライバ出力
- 最大引込電流[mA]
- 20
- 出力電圧 Hレベル[V]
- 2.4V以上
- 出力電圧 Lレベル[V]
- 0.4V以下
- 応答周波数[Hz]
- 200Hz以下
- 電源電圧
- DC 5V±10%
外形図
モータ外形図
回転数-トルク特性
測定条件
- DC24V入力、フルステップ駆動、当社標準ドライバ使用
- 負荷イナーシャ 100x10^-7・kg・m^2
※図中のトルクはプルアウトトルクを示す。
※▲は最大自起動周波数を示す。(無負荷時)
パッケージ内容
同梱品
- モータ
- エンコーダケーブル (60cm)
- モータケーブル (60cm)
- 取扱説明書のご案内