ステッピングモータ CSA-BXシリーズ
CSA-BX56D5E
・脱調検知モード、クローズドループモードをスイッチで切替可能
・オープンループ制御による脱調検知が可能(脱調検知モード)
・クローズドループ制御による脱調回避機能搭載(クローズドループモード)
・スピードフィルタによるモータ起動、停止時の振動低減が可能
・4段階分解能(400、800、1600、3200P/R)
・13段階電流設定:0.6 - 3.0A
・豊富な保護機能(過熱、過回生、低電圧、過負荷、過速度)
・入力電源:DC24V
・オートパワーダウン機能
仕様
モータ仕様
- 品名
- CSA-BX56D5E
- □サイズ
- 56.4
- 巻線タイプ
- バイポーラ
- 軸仕様
- 片軸
- 分解能
- 400P/R (0.9°)、800P/R (0.45°)、1,600P/R (0.225°)、3,200P/R (0.1125°)P/Rはモータ軸1回転に必要なパルス( )内は1パルスあたりの移動角度
※ギヤードタイプの場合、ギヤ比に応じて1ステップの移動角度も分離されます。
- 定格電流[A]
- 2.8
- 入力電流[A/相]
- 2.8
- 巻線抵抗[Ω/相]
- 1.75
- インダクタンス[mH/相]
- 6.9
- 最大静止トルク[N・m]
- 1.4
- ロータイナーシャ
[x10^-7kg・m^2]
- 513
- 許容負荷イナーシャ
[x10^-7kg・m^2]
- 5130
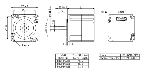
- モータ長[mm]
- 91.5
- モータ重量[kg]
- 1.1
- 使用周囲温度
- 0~+40℃ 凍結なきこと
- 使用湿度
- 85%以下 結露なきこと
- 保存周囲温度
- -20~+60℃ 凍結なきこと
- 保存湿度
- 85%以下 結露なきこと
- 雰囲気
- 腐食性ガス・粉塵の無いこと水・油などが直接掛からないこと
ドライバ仕様
- 電源電圧
- DC24V±10%
- 消費電流
- 2A Max
- 駆動方式
- 2相バイポーラ定電流駆動
- 最大応答周波数
- 80kHz
- 出力電流
- 3.0A/相 Max ピーク電流値
- 分解能
-
400P/R (0.9°)、800P/R (0.45°)、1,600P/R (0.225°)、3,200P/R (0.1125°)
P/Rはモータ軸1回転に必要なパルス ( )内は1パルスあたりの移動角度
※ギヤードタイプの場合、ギヤ比に応じて1ステップの移動角度も分離されます。
- 信号入力
-
1)パルス信号
2)モータイネーブル信号 (ON/OFF)
3)脱調アラーム解除信号 (ON/OFF)
4)停止時電流設定信号 (有効/無効) 入力パルス停止の約100ms後に電流を停止時電流設定値に変更
※各入力信号電圧 DC5-30V、フォトカプラ入力 (入力抵抗330Ω)、フォトカプラ電流10mA以下
- 信号出力
-
1)READY/BUSY信号 (モータ動作中/停止中)
2)脱調アラーム信号 (脱調検知/位置偏差過大・過負荷発生時に出力)
3)システムアラーム信号 (アラーム発生時に出力)
※各信号出力電圧 DC5-30V、フォトカプラオープンコレクタ出力、シンク電流10mA以下
- 本体表示機能
-
1)POWER LED:緑色点灯 (電源ON時)
2)ALARM LED:
橙色点灯 (クローズドループモード選択時、位置偏差発生による追従運転中)
橙色点滅 (脱調アラーム信号出力時/システムアラーム信号出力時)
※点滅回数によりアラーム内容を判別可能
- 本体設定機能
-
1)モータ運転モード設定 (脱調検知モード/クローズドループモード)
脱調検知モード:脱調検知時に脱調アラーム信号を出力してモータ停止
クローズドループモード:パルス入力に対してモータ出力軸の位置偏差が±1,080°範囲内で追従運転±1,080°の範囲を超えたとき脱調アラーム信号を出力してモータ停止
2)スピードフィルタ設定 (0/2/5/10/20/50/70/100ms)
3)分解能設定 (400/800/1,600/3,200P/R)
4)パルス入力方式設定 (1パルスモード/2パルスモード)
5)駆動電流設定 (0.6/0.8/1.0/1.2/1.4/1.6/1.8/2.0/2.2/2.4/2.6/2.8/3.0A 13段階設定)
6)停止時電流設定 (駆動電流設定値の約50%/約25%)
- 保護機能
-
1)ドライバ保護機能
次の場合、モータは無励磁停止しシステムアラーム信号を出力
・過熱保護:ドライバ基板温度が80℃を超えたとき
・低電圧保護:ドライバ印加電圧がDC18V以下のとき
・過回生保護:モータからの回生によりドライバ内部電圧がDC32Vを超えたとき
・過負荷保護:入力パルスに対してモータ出力軸で±3.6°を超える偏差が5秒以上続いたとき
・過速度保護:入力駆動パルスが80,000pps (80kHz)を超えたとき または、モータの回転速度が3,500r/minを超えたとき
2)電流ヒューズ:250V 5A タイムラグ品
- その他
-
1)RoHS2指令適合
2)CEマーキング適合
- 使用周囲温度
- 0~+40℃ 凍結なきこと
- 使用湿度
- 85%以下 結露なきこと
- 保存周囲温度
- -10~+50℃ 凍結なきこと
- 保存湿度
- 85%以下 結露なきこと
- 雰囲気
- 腐食性ガス・粉塵の無いこと水・油などが直接掛からないこと
- 寸法
- W90 x D60 x H33mm
- 重量
- 0.08kg
外形図
モータ外形図
ドライバ外形図
回転数-トルク特性
測定条件
- DC24V入力、分解能400P/R、脱調検知モード
- 負荷イナーシャ 216x10^-7・kg・m^2
※図中のトルクはプルアウトトルクを示す。
※▲は最大自起動周波数を示す。(無負荷時)
パッケージ内容
同梱品
- ドライバ
- モータ
- モータ~ドライバ間ケーブル (60cm)
- ドライバ信号ケーブル (60cm)
- ドライバ電源ケーブル (60cm)
- 取扱説明書