ステッピングモータ CSB-UKシリーズ
CSB-UK60D3E-NE-PL■■■■
・エンコーダ分解能を2 - 4,096pprの範囲で指定可能
・磁気式で耐環境(ホコリ・塵・油)に強い
・豊富なモータバリエーションをご用意しました。
仕様
モータ仕様
- 品名
- CSB-UK60D3E-NE-PL■■■■
- □サイズ
- 60
- 巻線タイプ
- ユニポーラ
- 軸仕様
- 片軸
- ステップ角[°]
- 1.8
- 定格電圧[V]
- 3.8
- 定格電流[A]
- 2
- 巻線抵抗[Ω/相]
- 1.9
- インダクタンス[mH/相]
- 3.9
- 最大静止トルク[N・m]
- 1.341
- ロータイナーシャ
[x10^-7kg・m^2]
- 440
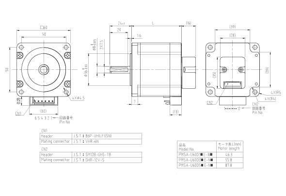
- モータ長[mm]
- 55.8
- モータ重量[kg]
- 0.9
- 使用周囲温度
- -10~+50℃ 凍結なきこと
- 使用湿度
- 85%以下 結露なきこと
- 保存周囲温度
- -20~+70℃ 凍結なきこと
- 保存湿度
- 85%以下 結露なきこと
- 雰囲気
- 腐食性ガス・粉塵の無いこと水・油などが直接掛からないこと
ドライバ仕様
- 電源電圧
- DC24V±10%
- 消費電流
- 3A Max
- 駆動方式
- 2相ユニポーラ定電流駆動
- 最大応答周波数
- 100kHz
- 出力電流
- 2.8A/相 Max ピーク電流値
- マイクロステップ分割
-
基本ステップ角に対する分割数 ( )内は基本ステップ角1.8°/stepの場合
1 (1.8°)、2 (0.9°)、4 (0.45°)、8 (0.225°)、16 (0.1125°)
※モータがギヤードタイプの場合、ギヤ比に応じて1ステップの移動角度も分割されます。
- 信号入力
-
1)パルス信号
2)出力電流イネーブル信号 (ON/OFF)
3)駆動電流制御信号 (定常設定/減衰設定)
4)停止時電流設定信号 (有効/無効)
※入力パルス停止の約100ms後に電流を停止時電流設定値に変更
※入力電圧 (1)パルス信号 DC5V or DC24V (使用電圧に応じてDIPスイッチ切替)、フォトカプラ入力 フォトカプラ電流10mA以下
(2)それ以外の信号 DC5-24V、フォトカプラ入力 (入力抵抗3.3kΩ)、フォトカプラ電流8mA以下
- 信号出力
-
1)励磁タイミング信号:モータステップ角7.2°/step (基本ステップ角1.8°モータの場合)
※出力電圧 DC5-30V、フォトカプラオープンコレクタ出力、シンク電流10mA以下
- 本体表示機能
-
1)POWER LED:電源ON時に緑色の表示灯が点灯
2)ALARM LED:過電流、過熱、モータオープン異常検知時に橙色の表示灯が点灯
- 本体設定機能
-
1)ステップ分割数切替設定
2)パルス入力方式切替設定 (1パルスモード/2パルスモード)
3)駆動電流減衰率設定 (駆動電流設定値の約25%/約50%)
4)停止時電流設定 (0.2/0.4/0.6/0.8/1.0/1.2/1.4/1.6A 8段階設定)
5)駆動電流設定 (0.4/0.5/0.6/0.7/0.8/0.9/1.0/1.2/1.4/1.6/1.8/2.0/2.2/2.4/2.6/2.8A 16段階設定)
6)パルス信号電圧設定 (5V/24V)
- 保護機能
-
1)電流ヒューズ:250V 5A タイムラグ型
2)過電流保護:4.6A Typ
3)過熱保護:ドライブIC内温度140℃
4)モータオープン異常:モータ配線に異常発生時
- その他
-
1)RoHS2指令適合
2)CEマーキング適合
3)ロック機能付コネクタ
- 使用周囲温度
- 0~+50℃ 凍結なきこと
- 使用湿度
- 85%以下 結露なきこと
- 保存周囲温度
- -20~+60℃ 凍結なきこと
- 保存湿度
- 85%以下 結露なきこと
- 雰囲気
- 腐食性ガス・粉塵の無いこと水・油などが直接掛からないこと
- 寸法
- W65 x D51 x H33mm
- 重量
- 0.08kg
エンコーダ仕様
- 品名
- E-NE
- 出力形式
- インクリメンタル
- 分解能[ppr]
- 2 - 4096ppr
※品番末尾にて表示しています。ご購入の際にご指定が必要です。
- 出力信号
- A相、B相、Z相
- 出力回路
- 電圧出力
- 最大引込電流[mA]
- 20
- 出力電圧 Hレベル[V]
- 4.3V以上
- 出力電圧 Lレベル[V]
- 0.4V以下
- 応答周波数[Hz]
- 100Hz以下
- 電源電圧
- DC 5V±10%
外形図
モータ外形図
ドライバ外形図
回転数-トルク特性
測定条件
- DC24V入力、フルステップ駆動、当社標準ドライバ使用
- 負荷イナーシャ 650x10^-7・kg・m^2
※図中のトルクはプルアウトトルクを示す。
※▲は最大自起動周波数を示す。(無負荷時)
パッケージ内容
同梱品
- ドライバ
- モータ
- モータ~ドライバ間ケーブル (60cm)
- ドライバ信号ケーブル (60cm)
- ドライバ電源ケーブル (60cm)
- エンコーダケーブル (60cm、エンコーダ付のみ)
- 取扱説明書のご案内