ステッピングモータ CSB-UKシリーズ CSB-UK56D1D-SB

・業界最小・最軽量クラス:W65xD51xH33mm、80g
・最大3,200分割/1回転(最小ステップ角:0.1125°)
・選べる5段階分割(1、2、4、8、16)
・電流設定:0.2 - 2.8A(Max)
・駆動電流減衰が可能(25%/50% 最小設定電流0.2A)
・停止時電流設定機能
・励磁タイミング信号出力
・入力電源:DC24V
・保護機能(過熱、過電流、モータオープン異常)
・CEマーキング適合

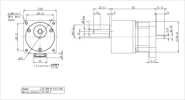
□サイズ
[mm]
品名 価格
(税込)
許容トルク
[N・m]
ギヤ比 出力軸許容回転数
[r/min]
60 CSB-UK56D1D-SB 25,100円
(27,610円)
2 1:7.2 0 - 250

仕様

モータ仕様

品名
CSB-UK56D1D-SB
□サイズ
60
巻線タイプ
ユニポーラ
軸仕様
両軸ギヤード
ステップ角[°]
0.25
定格電圧[V]
2.4
定格電流[A]
2
巻線抵抗[Ω/相]
1.2
インダクタンス[mH/相]
1.3
許容トルク[N・m]
2
ギヤ比
1:7.2
出力軸許容回転数[r/min]
0 - 250
ロータイナーシャ
[x10^-7kg・m^2]
135
モータ長[mm]
82
モータ重量[kg]
0.8
使用周囲温度
-10~+50℃ 凍結なきこと
使用湿度
85%以下 結露なきこと
保存周囲温度
-20~+70℃ 凍結なきこと
保存湿度
85%以下 結露なきこと
雰囲気
腐食性ガス・粉塵の無いこと水・油などが直接掛からないこと
  

ドライバ仕様

電源電圧
DC24V±10%
消費電流
3A Max
駆動方式
2相ユニポーラ定電流駆動
最大応答周波数
100kHz
出力電流
2.8A/相 Max ピーク電流値
マイクロステップ分割
基本ステップ角に対する分割数 ( )内は基本ステップ角1.8°/stepの場合
1 (1.8°)、2 (0.9°)、4 (0.45°)、8 (0.225°)、16 (0.1125°)
※モータがギヤードタイプの場合、ギヤ比に応じて1ステップの移動角度も分割されます。
信号入力
1)パルス信号
2)出力電流イネーブル信号 (ON/OFF)
3)駆動電流制御信号 (定常設定/減衰設定)
4)停止時電流設定信号 (有効/無効)
※入力パルス停止の約100ms後に電流を停止時電流設定値に変更
※入力電圧 (1)パルス信号 DC5V or DC24V (使用電圧に応じてDIPスイッチ切替)、フォトカプラ入力 フォトカプラ電流10mA以下
(2)それ以外の信号 DC5-24V、フォトカプラ入力 (入力抵抗3.3kΩ)、フォトカプラ電流8mA以下
信号出力
1)励磁タイミング信号:モータステップ角7.2°/step (基本ステップ角1.8°モータの場合)
※出力電圧 DC5-30V、フォトカプラオープンコレクタ出力、シンク電流10mA以下
本体表示機能
1)POWER LED:電源ON時に緑色の表示灯が点灯
2)ALARM LED:過電流、過熱、モータオープン異常検知時に橙色の表示灯が点灯
本体設定機能
1)ステップ分割数切替設定
2)パルス入力方式切替設定 (1パルスモード/2パルスモード)
3)駆動電流減衰率設定 (駆動電流設定値の約25%/約50%)
4)停止時電流設定 (0.2/0.4/0.6/0.8/1.0/1.2/1.4/1.6A 8段階設定)
5)駆動電流設定 (0.4/0.5/0.6/0.7/0.8/0.9/1.0/1.2/1.4/1.6/1.8/2.0/2.2/2.4/2.6/2.8A 16段階設定)
6)パルス信号電圧設定 (5V/24V)
保護機能
1)電流ヒューズ:250V 5A タイムラグ型
2)過電流保護:4.6A Typ
3)過熱保護:ドライブIC内温度140℃
4)モータオープン異常:モータ配線に異常発生時
その他
1)RoHS2指令適合
2)CEマーキング適合
3)ロック機能付コネクタ
使用周囲温度
0~+50℃ 凍結なきこと
使用湿度
85%以下 結露なきこと
保存周囲温度
-20~+60℃ 凍結なきこと
保存湿度
85%以下 結露なきこと
雰囲気
腐食性ガス・粉塵の無いこと水・油などが直接掛からないこと
寸法
W65 x D51 x H33mm
重量
0.08kg
  

外形図

モータ外形図

ドライバ外形図

回転数-トルク特性

※▲は最大自起動周波数を示す。(無負荷時)

パッケージ内容

同梱品

製品情報へ戻る